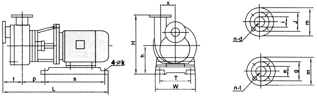
FZB型氟塑料自吸泵|安裝尺寸
FZB型氟塑料自吸泵|安裝尺寸
|
系列
|
型 號
|
外型及安裝尺寸
|
進口法蘭尺寸
|
出口法蘭尺寸
|
|
L
|
S
|
P
|
f
|
W
|
T
|
H
|
h
|
x
|
k
|
i
|
j
|
m
|
n-d
|
e
|
g
|
n
|
4-t
|
|
短支架
|
32FZB-15
|
450
|
100
|
160
|
80
|
180
|
140
|
230
|
90
|
55
|
10
|
32
|
90
|
120
|
4-11
|
32
|
90
|
120
|
4-11
|
|
40FZB-20
|
590
|
310
|
160
|
110
|
220
|
170
|
305
|
140
|
65
|
12
|
40
|
100
|
130
|
4-13
|
40
|
100
|
130
|
4-13
|
|
40FZB-30
|
590
|
310
|
160
|
110
|
220
|
170
|
305
|
140
|
80
|
12
|
40
|
100
|
130
|
4-13
|
40
|
100
|
130
|
4-13
|
|
50FZB-20
|
590
|
310
|
160
|
110
|
220
|
170
|
305
|
140
|
65
|
12
|
50
|
100
|
130
|
4-13
|
50
|
100
|
130
|
4-13
|
|
50FZB-30
|
590
|
310
|
160
|
110
|
220
|
170
|
305
|
140
|
80
|
12
|
50
|
100
|
130
|
4-13
|
50
|
100
|
130
|
4-13
|

|
系列
|
型 號
|
外型及安裝尺寸
|
進口法蘭尺寸
|
出口法蘭尺寸
|
|
L
|
S
|
P
|
f
|
W
|
T
|
H
|
h
|
x
|
k
|
i
|
j
|
m
|
n-d
|
e
|
g
|
n
|
n-t
|
|
長支架
|
65FZB-20L
|
1100
|
600
|
250
|
180
|
390
|
350
|
440
|
212
|
80
|
20
|
65
|
145
|
185
|
4-18
|
50
|
125
|
165
|
4-18
|
|
65FZB-30L
|
1200
|
660
|
300
|
200
|
450
|
400
|
480
|
232
|
100
|
24
|
65
|
145
|
185
|
4-18
|
50
|
125
|
165
|
4-48
|
|
80FZB-20L
|
1200
|
660
|
300
|
200
|
450
|
400
|
480
|
232
|
100
|
24
|
80
|
160
|
200
|
8-18
|
65
|
145
|
185
|
4-18
|
|
80FZB-30L
|
1240
|
740
|
330
|
210
|
500
|
450
|
520
|
260
|
110
|
24
|
80
|
160
|
200
|
8-18
|
65
|
145
|
185
|
4-18
|
[來源:原創]
[作者:水泵專家]
[日期:10-09-09]
[熱度:]
評論
|